欢迎进入中国氟硅有机材料工业协会官方网站!
网站首页
氟硅协会
协会介绍
协会章程
组织架构
协会大事记
新闻资讯
行业动态
通知公告
展会信息
会员动态
政策法规
行业政策
法规文件
部门规章
企业风采
企业概况
产品推介
表彰奖励
会员风采
管理培训
培训信息
技术交流
资料下载
信息周刊
会员申请
其他文件下载
专家介绍
联系我们
您当前所在位置:
首页
>
信用评价
信用评价
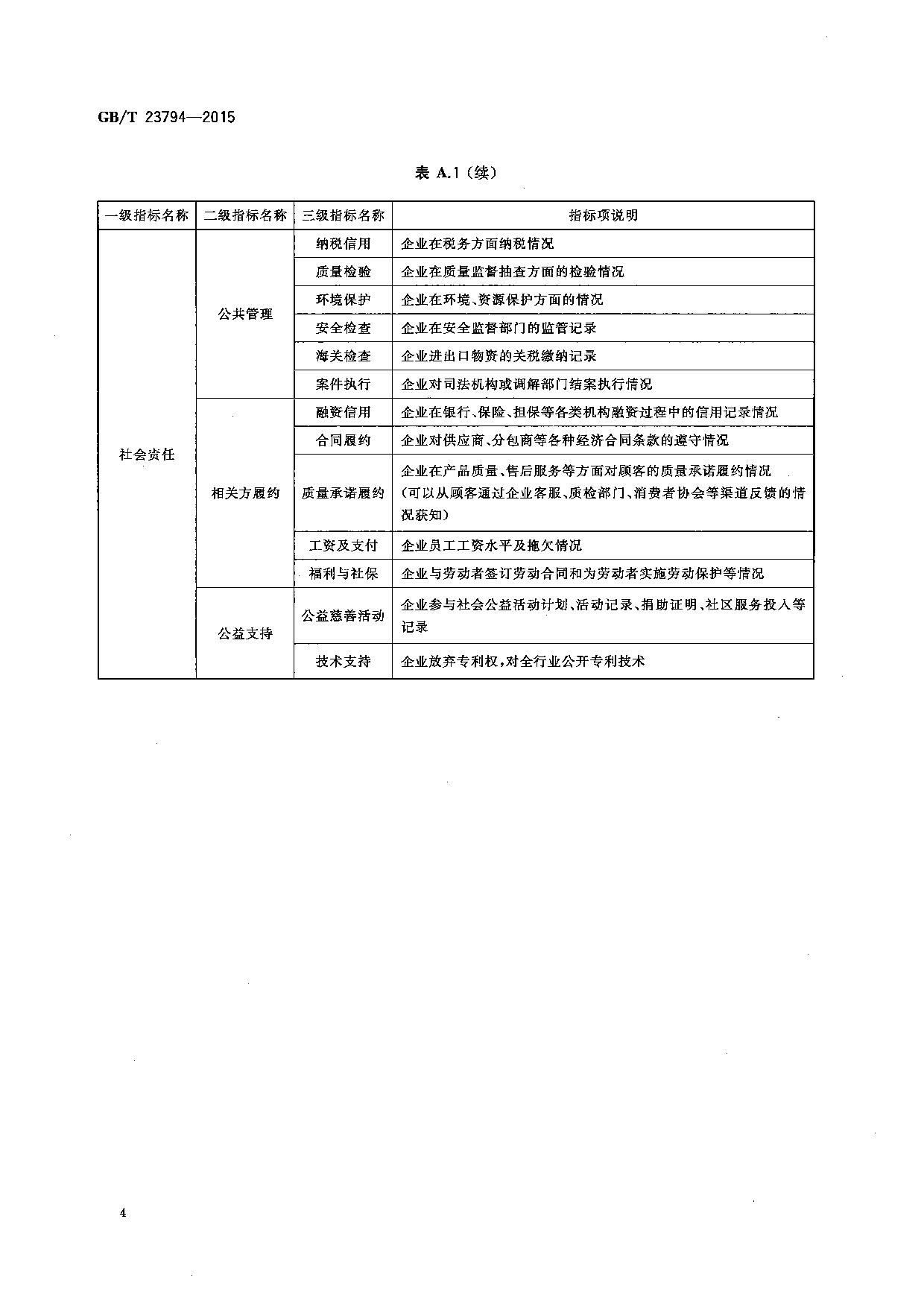
GB_T 23794-2015企业信用评价指标
更新时间:2015-12-28 15:28:45 来源:
分享到:
上一篇:
社会信用体系建设规划纲要
下一篇:
GB_T 31863-2015企业质量信用评价指标
关于召开氟硅协会第七届第四...
参加《储罐机械清洗技术》暨...
王跃林董事长出席省中小企业...
白云化工谈新常态下密封胶行...
瓦克集团扩建博格豪森生产基...
为什么食品加工行业更喜欢使...
法国蓝星公司将在土耳其开发...
阜新深耕氟化工产业 提升产...
中国氟硅协会...
“HFCs生产行...
协会组团赴迪...
中国氟化工行...
氟硅协会
协会介绍
协会章程
组织架构
协会大事记
新闻资讯
行业动态
通知公告
展会信息
会员动态
政策法规
行业政策
法规文件
部门规章
企业风采
企业概况
产品推介
表彰奖励
会员风采
管理培训
培训信息
技术交流
资料下载
信息周刊
会员申请
其他文件下载
联系我们
Copyright © 2015 www.xxxxxxx.com All Rights Reserved xxxxxxxxxxx版权所有 技术支持:
顶呱呱集团